PLC controller Rich Auto A11E+ sada kontroler + ovladač
Autonomní DSP controller RichAuto A11E+ s ovladačem a SW pro 3osé CNC.
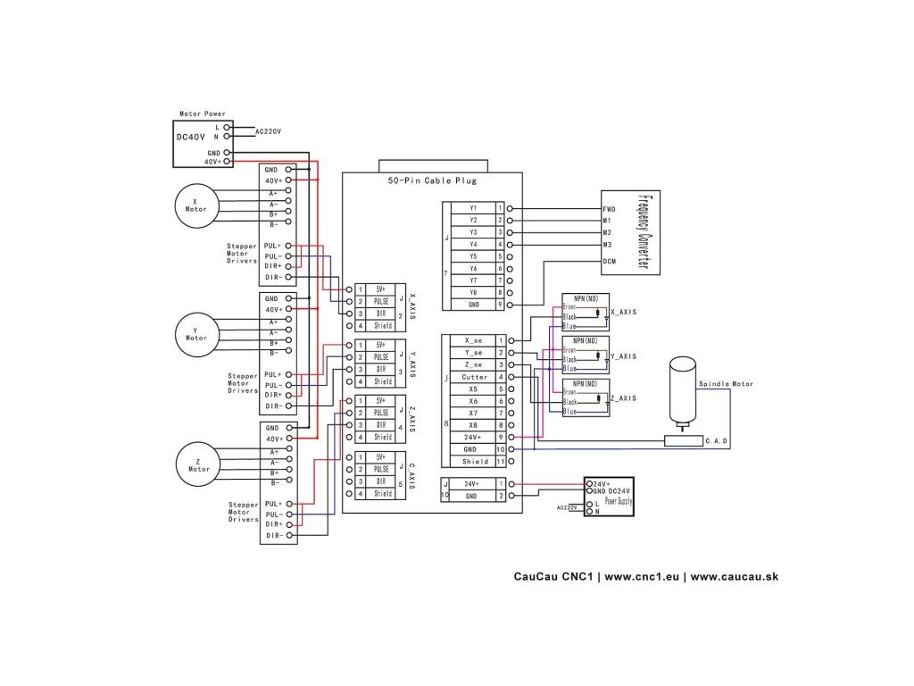
CNC Řídící controller RichAuto 11E PLUS
Nejnovější 6. Generace CNC řízení
|
Vysoký výkon
|
![]() |
|
|
|
Inteligentní Software
|
|
|
Silný Hardware
|
|
Sada obsahuje:
Řídící desku
Kabely
SW
Ovládací panel s displejem
Technické parametry:
| Model | Profi6 RichAuto |
| Procesor | DSP |
| Interní paměť | 512 Mb |
| Obrazovka | LCD 128x64 px |
| Komunikační port | USB |
| Počet os | 1 - 4 osi |
| Minimální rozlišení | 0.001 mm |
| Maximální pulzní frekvence | 1 MHz |
| Počet vstupů a výstupů | 8 vstupov / 8 výstupov |
| Napájení hlavní desky | DC 24V |
| Řízení a software | Integrovaný CNC počítač RichAuto |
| Jazyk už. prostředí | Anglický |
| Příkazový jazyk | G-Code |
| Multi-Souřadnicová paměť | 9 pracovních prostorů |
| Soft/Hard Limity | Ano |
| Ochrana při výpadku napájení | Ano |
| Funkce přerušení práce | Ano |
| Záloha a obnovení nastavení | Ano |
| Manuální mód | Kontinuální, Krokový, Vzdálenost |
| Metoda interpolace | Čára, Oblouk, Křivka |
| Ochrana heslem | Ano |
| Pokročilé funkce | Ano |
| Softwarové řízení otáček vřetena | Ano |
Doplňkové parametry
| Kategorie: | Elektronika |
|---|---|
| Hmotnost: | 1 kg |
Ukázka CAD/CAM tvorby a použití Profi6 ovládání
Buďte první, kdo napíše příspěvek k této položce.
Pouze registrovaní uživatelé mohou vkládat hodnocení. Prosím přihlaste se nebo se registrujte.
Buďte první, kdo napíše příspěvek k této položce.
Pouze registrovaní uživatelé mohou vkládat příspěvky. Prosím přihlaste se nebo se registrujte.
Související produkty
2D/3D CNC frézka s kuličkovým vedením asynchronním motorem 1500W s obrobitelným prostorem 850x600x120mm
CAUCAU KOMPAS H3000 ATC - CNC portálová frézka s Automatickou výmenou nástrojů a vakuovým stolem. Obrobitelná plocha 1250x2500x200mm, rychlost 10m/min..
CAUCAU KOMPAS H3000 - 2D/3D CNC portálová frézka. Celostolová deska s T-drážkou. Obrobitelná plocha 1250x2600x200mm, rychlost 10m/min.
CAUCAU KOMPAS H3000 - 2D/3D CNC portálová frézka. Obrobitelná plocha 1250x2600x200mm, rychlost 10m/min, plnostolové výkonné vákuum.
Profesionální 2D/3D CNC frézka. Obrobitelná plocha 1250x2600x250mm a 2200W asynchronní motor. Kuličková vedení a přesné lineární vedení podepřenými tyčemi. Tuhá...
Velká Profesionální 2D/3D CNC portálová frézka router. Obrobitelná plocha 1500x3000x250mm a 2200W asynchronní motor. Přenos pohonu kuličkovými šrouby a HGR20 lineární pojezdy....
Masívní 2D/3D CNC frézka s kuličkovým vedením a duralovou konstrukcí s T-stolem s vysokofrekvenčním motorem 2200W vhodná i pro obrábění kovů s obrobitelným prostorem 400x600x150mm
Velká Profesionální 2D/3D CNC portálová frézka router. Obrobitelná plocha 2050x3000x250mm a 2200W asynchronní motor. Přenos pohonu kuličkovými šrouby a HGR20...
Velká Profesionální 2D/3D CNC portálová frézka router. Obrobitelná plocha 2050x4000x250mm a 2200W asynchronní motor. Přenos pohonu kuličkovými šrouby a HGR20...
CAUCAU KOMPAS H3000BIG - 2D/3D CNC portálová frézka. Celostolová deska s T-drážkou. Obrobitelná plocha 1500x3000x200mm, rychlost 15m/min.
CAUCAU KOMPAS H3000BIG - VACUUM 2D/3D CNC portálová frézka. Celostolová deska s celostolovým vakuovým upínacím systémem. Obrobitelná plocha 1500x3000x200mm, rychlost...
CAUCAU KOMPAS H3000BIG - VACUUM 2D/3D CNC portálová frézka. Celostolová deska s celostolovým vakuovým upínacím systémem a automatickou lineární výměnou 5ti nástrojů. Obrobitelná...
Kabel ke kontroléru RichAuto - 50pin konektor pro A1x, B1x, B5x - 6m délka
Profesionální 2D/3D CNC frézka specializovaná pro zpracování kamene. Obrobitelná plocha 900x1500x250mm
CAUCAU KOMPAS H3000MAX-VAC-ATC - VACUUM 2D/3D CNC portálová frézka. Celostolová deska s celostolovým vakuovým upínacím systémem a automatickou lineární výměnou 5ti nástrojů....
Podobné produkty
Controller CauCau H5 pro CNC stroje - sada
Controller CauCau H5 pro CNC stroje - sada pro řízení 3 os
CNC ovladač CauCau Profi4 4D - 4 osý
Autonomní DSP controller RichAuto B57 s ovladačem pro 3osé CNC s barevným displejem a řízením automatické výměny nástrojů LAN napojením a náhledem G-code.
Controller CauCau H5 pro CNC stroje - komplet sestavený v přístrojovém boxu
CNC ovladač CauCau Profi4 3D - 3 osý
USB socket - náhradní díl do RichAuto A11E+
Autonomní DSP controller pro PROFI6 řízení pro 4-osé CNC s možností přenosu souborů po LAN.
UC100 USB Controller - interpolátor - napojení CNC stroje s LPT portem na USB port počítače s Windows
Autonomní DSP controller RichAuto B581 s ovladačem pro 4osé CNC s barevným displejem a řízením automatické výměny nástrojů LAN napojením a náhledem G-code.
Autonomní DSP controller pro PROFI6 řízení pro 3-osé CNC.



